新聞中心

新聞中心

産品主要有(yǒu):發酵食品、蒸煮食品、烘焙食品、油炸食品、家庭專用(yòng)粉等五大(dà)系列産品
您現在的(de)位置:
首頁
/
/
/
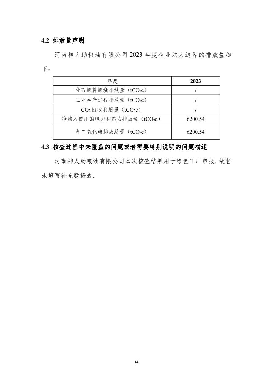
河南神人(rén)助碳核查報告

河南神人(rén)助碳核查報告

  • 分(fēn)類:公司新聞
  • 作者:
  • 來源:
  • 發布時間:2024-03-12 16:48
  • 訪問量:

【概要描述】

河南神人(rén)助碳核查報告

【概要描述】

  • 分(fēn)類:公司新聞
  • 作者:
  • 來源:
  • 發布時間:2024-03-12 16:48
  • 訪問量:
詳情

上(shàng)一個(gè):
上(shàng)一個(gè):
神人(rén)助糧油!商丘市質量的(de)标杆!

神人(rén)助糧油!商丘市質量的(de)标杆!

商丘市工(gōng)業(yè)和(hé)信息化局關于認定2022年商丘市質量标杆的(de)通知
2023-02-19
上(shàng)一頁
1
2
3

服務熱(rè)線

地(dì)址:民(mín)權縣310國道城西(xī)12公裏處 / 蘭考縣産業(yè)集聚區隴海(hǎi)路(lù)57号

神人(rén)助集團

掃一掃

關注官方微信

COPYRIGHTS © 2021  SHENRENZHU GROUP     

 京ICP證000000号  本網站已支持IPv6

網站建設:中企動力 鄭州

COPYRIGHTS © 2021  SHENRENZHU GROUP       京ICP證000000号      本網站已支持IPv6     網站建設:中企動力 鄭州